ARTA-3000电力监控系统是武汉艾睿达智能技术有限公司根据电力系统自动化及无人值守的要求,
针对35kV及以下电压等级研发出的一套分层分布式变电站监控管理系统。该系统是应用电力自动化技术、
计算机技术和信息传输技术,集保护、监测、控制、通信等多功能于一体的开放式、网络化、单元化、组态化的系统,
适用于35kV及以下电压等级的城网、农网变电站和用户变电站,可实现对变电站全方位的控制和管理,满足变电站无人
或少人值守的需求,为变电站安全、稳定、经济运行提供了坚实的保障。


应用场所:
(1)办公建筑(商务办公、国家机关办公建筑等);
(2)商业建筑(商场、金融机构建筑等);
(3)旅游建筑(宾馆饭店、娱乐场所等);
(4)科教文卫建筑(文化、教育、科研、医疗卫生、体育建筑、会展中心等);
(5)通信建筑(邮电、通信、广播、电视、数据中心等);
(6)交通运输建筑(机场、车站、码头建筑等);
(7)厂矿企业建筑(石油、化工、水泥、煤炭、钢铁等);
(8)新能源建筑(光伏发电、风能发电等)。


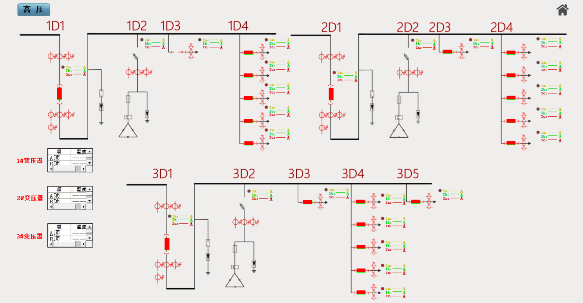
本项目位于荆州,监控范围是荆州项目配电箱智能开关驱动器。
通过对开关驱动器数据的采集、控制,实现提高能源利用效率、有效促进智能照明水平的提升,并在安全用电、节约能源方面发挥重要作用。
系统实现的功能:
1.定时控制
2.实时数据
3.实时曲线
4.历史曲线
5。差值报表
6.日月年报表
7.历史查询
8.事件记录
常州爱睿达智能技术有限公司通过自主研发,是在智能电网用户侧的电力监控,用电管理解决方案的整体方案供应商,
可以为商业智能、 绿色、节能、安全、提供智能配电系统、用电管理、能源管理、等产品和服务。
