随着社会经济发展,我国医疗、教育事业也取得了很大发展,但医疗、教育的建筑大部分都在 20 世纪建设,供电系统一般与主体建筑同时建设,存在着设备老化,安全隐患较多,智能化程度不高的问题。。医院与学院的供电负荷等级较高,供配电方式与其他民用建筑有较大区别,各种大功率仪器设备多,使用人员对用电专业知识比较缺乏,用电安全隐患较多,漏电流对病人构成了潜在的危险。此外,为贯彻落实《公共机构节能条例》,加强对医院的电力能耗监测和用能分析核算,需要引进智能电力监控系统,对供电系统实行实时监控,监测供电质量、电能消耗和电力安全保护。

1 概述
武汉艾睿达智能技术有限公司于2019年承接了深圳锦田小学项目的电力监控与电能管理系统。
深圳锦田小学项目监控部分有1个大配电室,里面分布有两排10KV高压配电系统,11排低压配电系统,没排低压为一个变压器系统结构。高压配电系统配有14台微机综合保护装置和16块智能电表,另外11排低压系统均为智能电表仪表。监控室在隔壁房间,最远距离约有50米。针对深圳锦田小学项目配电房的实际情况,通过计算机和通讯网络,配电房的现场设备连接为一个有机的整体,实现电网设备运行的远程监控和集中管理。
设计的电力监控与电能管理系统具备全电参量测量、开关量状态监测以及电能计量与电能质量管理等功能。设计中充分体现系统的可用性、先进性、方便性、安全性、可靠性、可扩展性及系统性价比的合理性。
2 项目立项的意义
深圳锦田小学项目对高低压部分电力参数的监控要求比较高,值班室人员需要24小时轮班巡查高压微机保护装置和一些电力参数。由于设备仪表共有357块,如果记录每块仪表的采集量,这样费时费力又不能实时的反应一些紧急状况,如果要抄电能那是一个不小的任务。使用该系统能够带来如下优点:
1)像这样的众多设备仪表,没有电力监控和电能管理系统之前只能通过人力去跑去跑来的去抄表,查看电力参量,这样对于抄表人员来说是个费时费力,而且也不能及时的掌握第一手信息。使用系统后后台值班监控人员只需在值班室就能实时准确的监控到每个表的运行情况,和表所测量的各个电参量,实时的进行抄表,省时省力,快速及时的掌握用电情况。
2)对于一些主要回路上的电力仪表根据监控系统,可以实时的监控它们的运行情况,如电压、电流、有功,无功,功率因数等,系统可以对它们进行设置一个预警值,只要回路上的电参量达到或接近时系统就会对值班人员进行报警,比如发现一些短路问题,电流过大等,就使得值班人员可以及时的去解决问题如关闭或安排专业人员去修。
3)系统有对历史数据的对比分析,这样方便管理人员发现其中的问题实施一些有针对性的方案,如一些电参量突然变化的表,就要去看它是否正常工作或实际是否是这样,这样可以及时发现潜在故障,减少设备维护费用,延长设备使用寿命;提高运行管理效率,减少运行维护人员工作量。
4)通过数据分析,使管理者合理有效地利用设备,减少不必要设备添置,避免了资源浪费,精简值班人员数,及时发现电能消耗异常现象,采取有效措施进行设备改造或补偿,以避免电能损耗,这样下来节约大量资金。通过对资源的充分利用,强调高效率、低能耗、低污染,达到节约能源、保护环境的可持续发展的目标。
5)系统可以直观而形象的反映出在哪个位置的哪个表的电力参数,方便技术人员分辨出来,简洁明了的操作界面让操作人员方便操作。
6)通过实时监控可以使值班人员及时发现问题及时处理问题,如在不需要用电的时间地点时可以不用电,智能电力仪表的电力参数不稳定时可以不用等情况,这样一来可以减少用电量,节约成本。
7)系统具有曲线、报表分析,曲线、报表打印功能,这样管理者在进行分析决策时就有了依据。
3 项目的设计方案
武汉艾睿达智能技术有限公司为深圳锦田小学项目设计的电力监控及电能管理系统采用分层分布式结构,由站控管理层、网络通讯层和现场设备层组成。
现场设备层主要的设备为:多功能电力仪表、微机保护装置。这些装置分别对应相应的一次设备安装在电气柜内,这些装置均采用RS485通讯接口,通过现场屏蔽双绞线进行组网通讯,实现数据现场采集。
网络通讯层主要为:通讯服务器,其主要功能为采集现场设备层中的仪表数据,同时远传至站控层,完成现场层和站控层之间的数据交互。
站控管理层:设有高性能工业计算机、显示器、UPS电源、打印机等设备。监控系统安装在计算机上,集中采集显示现场设备运行状况,以人机交互的形式显示给用户。
各智能电力仪表通过屏蔽双绞线RS485接口,采用MODBUS通讯协议总线型连接接入通讯服务器,最后通过网线连到值班室的监控主机。
本系统采用分层分布式计算机网络结构如下图所示:
4 系统运行过程
实现系统的过程:首先通过数据量的采集把我们需要的数据量保存到历史和实时数据库,在系统上把需要实时显示的数据量在界面上实时刷新的显示出来;需要查询和分析过去的历史记录的数据,通过各种查询报表和分析曲线等一些形象的界面反应给值班人员;系统中设置报警,把一些重要的操作量动作时和一些重要数据量异常时进行报警,实现配电系统的安全,可靠运行。
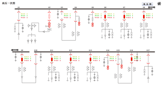
高压系统图,显示想搞综保分合闸状态,及遥信、遥测值采集:
低压电表数据采集:
实时数据报表:
用量报表:
可查询某一段时间内各个回路用电量情况。
实时曲线:
武汉艾睿达公司的ARTA-3000型电力监控系统及电能管理系统具有实用性、安全性、系统的实时性、稳定性、可扩展性、易维护性。随着计算机信息技术的普及,低压配电智能化的要求也越来越高,变配电监控及低压配电管理使得实现配电室的无人职守真正成为现实。该系统在深圳锦田小学项目的应用,实现了在值班室远程监控了各种通讯仪表,对采集的数据进行显示,处理,并生成报表、曲线等,便于值班人员的分析与定时查询所需要的数据。






